欢迎您访问江苏顺达机械设备有限公司网站!

液压机械设备研制、开发、制造的大型科技型企业

产品目录

PRODUCT CATALOG

全国销售咨询热线
0514-84716333
联系人:钱经理
邮箱:web@jssdjx.cn
地址:江苏省高邮市汤庄工业园区
液压传动类

您的当前位置:首页 > 液压传动类

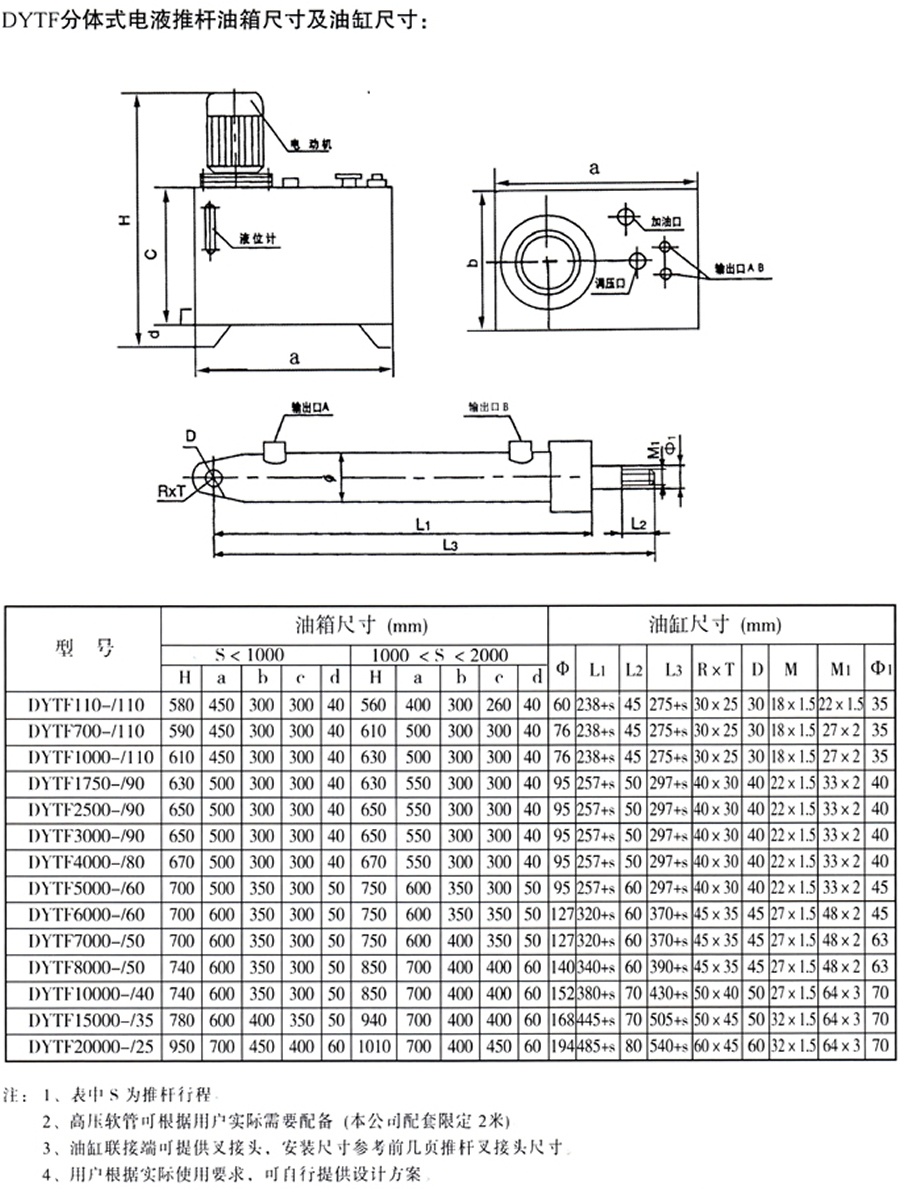
DYTF型分体式电推杆